Выбор преобразователя 24>12 Вольт

Пишу в блог по итогам общения по этой теме и чтобы информация и мысли не канули в Лету.
Да уж! Вечный вопрос для владельцев питания 24 Вольт. Жаба душит, а 12 В хочется.
Давайте сначала.
Любой потребитель кушает от бортовой сети энергию (мощность, ток). Но как?
Случай 1. Нагрузка постоянная, типа лампочки, стабильный по времени потребления ток. Пусть это будет 10 Ампер.
Для такого потребителя достаточно преобразователя на 10-12 А номинального (долговременного) тока.
Случай 2. Потребитель типа холодильника, с пусковым кратковременным током допустим 20 Ампер и дальше обычные 10 А.
Для такого потребителя надо искать преобразователь с максимальным током 20-25А и номинальным 10 -12 А.
Случай 3. С усилителем особый случай. Здесь все зависит от нас любимых (от настроения и настроек).
Дальше описывается конкретный пример с конкретным усилителем Блаупункт 275.
В Вашем случае усилитель 2*75 Вт на 4 Ом или как блау заявляет 2*110 Вт на 2 Ом и в теории 1*300Вт мостом на 4 Ом. Получается при КПД 50% разброс потребляемой мощности от 300 до 600 Вт, что для 12 В дает от 25 до 50 А. И сильно не надо смотреть на пред 30 А они больше держат. Можно предположить что на крышке реальная мощность блока питания усилителя написана макс 425Вт, т.е. 35А.
Вот этот ток и надо рассматривать как номинальный, т.е. Случай 1. А максимальный кратковременный может быть от 40 и выше А.
Т.е. ищем с НОМИНАЛЬНЫМ током от 35 А.
Теперь по поводу импульсный или обычный.
Если импульсный не фонит в эфир, в бортовую сеть помех не пускает, имеет все защиты, то это предпочтительнее обычного, потому что греться не будет из-за высокого КПД 75-95%.
Но хороший правильный импульсный преобразователь стоит прилично или надо тщательно со всеми проверками отнестись к выбору.
Обычный, не импульсный, обладает низким КПД и лишнее напряжение, которое надо с 24 убить до 12 В преобразует в тепло, т.е. в нагрев. Поэтому такие преобразователи имеют массивные радиаторы и размеры. Плюс у них в том, что напрочь отсутствуют импульсы и как следствие помехи. Их обычно любят «радисты».
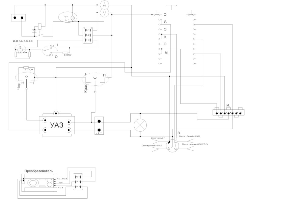
Проверяем в работе преобразователь 24-12 clarion ER-693h

В моем сафари 60 приборка не работает совсем, кроме вольтметра и контрольных ламп.Приборку пока не снимал…, но снял преобразователь.У меня их 2 шт.Проверял совсем новый.с ним кстати тоже ничего не работает.
Алгоритм проверки.Контрольные лампы при вкл.IGN светятся и потом гаснут., значит какое то напряжение (скорее всего 24в, но не факт) туда идет.Значит завтра запустим при вынутой фишке из преобразователя в режиме IGN.
Через него или от него…посмотрим. Дальше.проверяем сам преобразователь. Было опасение, что без нагрузки он не работает, но=работает. Все на фото. Работают все режимы и основной и light. Что бы запустить light и измерить на предохранителе в 1А., блин надо подать 24в на контакт(с). Я протупил, но потом все норм. Странно, что этот вход (с=24в) не защищен предохранителем.Выход (f) сразу заработал. Все остальное .выход 3А (е)и 10А(h) = 13В =работает.
Это я сделал для того, что бы точно знать, что преобразователь исправен и его можно запускать без нагрузки.
И написал про это здесь. Теперь все будет проще…с приборкой разберемся чуть позже.Меня смущает, что цепи по выходу 13В из преобразователя защищены 10А предохранителями и 2.5 кв провод там…, но с разъема к приборке идут тоооненькие провода ну 0.5 кв. не больше. Странно. При запуске преобразователя чувствуется, что он хорошо потребляет…искра добрая была на (+).Ладно, вот фото, там все видно. Земля (-) подается через корпус…в разъеме=(d)- пустая клемма!Итого.подаем на (а) 24 В и снимаем с (е) и (h) 13В. При этом на выходе (f) не будет НИЧЕГО.(тут я протупил и разобрал преобразователь). Для получения 13В там, надо просто подать 24В на вход (с)…оказывается это полностью отдельная независимая цепь…, наверное это правильно.След этап — проверка приборки и соотв преобразователя под нагрузкой…, ну там можно на пару ОМ(2Ом, 5-7 ВТ) резистор подцепить в качестве нагрузки.все должно быть хорошо.
ДОПОЛНЯЮ Сегодня проверил старый преобразователь. Силовой выход на 10А выдает 24В вместо 13.8В, слаботочный выход 1А выдает 13.8 В. По хорошему.надо снять все режимы по постоянному току на всех силовых транзисторных ключах .микросхеме.стабилитронах и транзисторах исправного преобразователя и разместить эту карту здесь.Внести показания на схему(ее нет), т.е на плату. Это многое даст(радиоинженеры поймут).Займусь этим по мере возможностей в ближайшее время…но самый простой выход при такой неисправности(заменить предохранитель-шутка) или .купить преобразователь 24-12 на 10А(150 Вт) и сделать от него 2 выхода на 2 колодки предохранителей 10А и 1 А.типа вот такого.112auto.ru/preobrazovatel-napryazheniya-24-12v/
112auto.ru/wa-data/public…/images/7439/7439.750.jpg
или вот такого www.vectorcom.ru/shop/1320 поищите в инете.
по габаритам и параметрам подходят оба.Цепь питания преобразователя защитить так же 10 А.если нет встроенного.Наверное это самое простое решение.Ценник в 1500 руб. решает.Колодку снять со старого преобразователя, чтобы использовать штатный разъем на проводке.




26 декабря 2019 Метки: электроника
Мобильный стенд по проверке реле регулятора напряжения 12-24В

Хочу представить вашему вниманию самодельный мобильный стенд для проверке автомобильных реле регуляторов 12 и 24 В, питающийся от внешнего источника питания 12 В.

В процессе развития своего увлечения появилась необходимость в проверке реле регуляторов, конечно их можно проверять и в домашних условиях со стабилизированного источника питания, но постоянного бегать домой не охота, да и начал выезжать в черты города из гаража, и собой постоянно таскать источник питания нет возможности да и питание ~220 В не везде можно взять. И решил я собрать самодельный универсальный мобильный стенд питающийся от бортовой сети автомобиля 12в, чтобы можно было проверить хоть в поле реле регулятор. Конечно я просмотрел просторы интернета сперва мне ничего интересного не попалось и решил собирать то что получится, за основу взял преобразователь который был в наличии с изобретении светодиодного фонаря на 30 В от 12 В. Когда уже первые штрихи появились случайно наткнулся на одну статью с подобным преобразователем, и я стал уверен что у меня получится собрать стенд с таким преобразователем.
Стенд на данный момент уже отсортировал не мало реле, и с каждым разом есть свои новые виды неисправностей. Я и сам не думал что могут такие неисправности. В основном реле работает, или ны выдает напряжение ны вывода, или не отключает выход при повышении напряжения, но и есть как просадка напряжения при подключении нагрузки, так и не постоянная утечка в режиме ожидания.
Вот что у меня получилось.
Преимущество данного стенда:
— компактность;
— универсальность;
— питание от аккумуляторной батарей или от бортовой сети автомобиля 12В;
— можно проверить реле в любом месте, хоть на коленках;
— запитка генераторов непосредственно со стенда, с замером потребляемого тока;
— минимальный вес.
Недостатки:
— Амперметр замеряет ток по минусу ( нет возможности замерить ток потребления непосредственно установленного генератора на автомобиле).
— Не хватает места под питающий кабель ( но он всегда в инструментальном наборе, так как он у меня универсальный на несколько стендов).
Основные узлы:
— Корпус повзаимствован от угловой шлифовальной машинки;
— Автомобильное четырех контактное реле;
— Повышающий DC-DC преобразователь, Настройка выполнена так чтобы диапазон напряжения выбирается 1 — от 12-17,1 В и 24-32,2 В. (куплен на заказ);

— Вольтметр — Амперметр (куплен);
— Пакетный переключатель;
— Разъем мама-папа повзаимствован от термопота ( можно от компьютерного блока питания);

— Контейнер;
— Разъем от автомобильного коммутатора ( ВАЗ 2108);
— Корпус от автомобильного коммутатора (ВАЗ 2108);
— Соединительные провода с возможностью установки разных наконечников ( куплен на заказ);
— Корпус под реле А112 от Уазовского генератора ( Б/У, есть также новые в продаже);
— Щеточный узел ( от ВАЗ или ГАЗ);
— Выключатели (куплены в магазине);
— Провода;
— Разъем 6-ти пиновый.

В Верхней крышке корпуса закреплен контейнер, в котором находятся наконечники на провода. Вокруг контейнера укладывается соединительный жгут. С помощью которого можно подключить разные виды реле, или непосредственно подключиться к генератору на вход. На крышке контейнера приклеена принципиальная электрическая схема стенда, на случай ремонта.

В нижней части корпуса расположены органы управления и проверочные места. Основные детали закреплены на «столешнице»

В основном корпусе закреплен сам преобразователь.

Цепь входного питания:
Питание от источника через разъем приходит на контакты реле, реле отвечает за правильность подключения полюсов, Можно было конечно использовать диод или полностью диодный мост, но так как стенд позволяет подключение генератора в работу, то диоды нужны мощные и охлаждение им нужно.
Далее питание приходит на выключатель и с него запитан сам преобразователь.
Цепи управления выходным напряжением:
Управление выходным напряжением изменяется переменным резистором на самом блоке управлении. Его выпаиваем ( при включении преобразователя без подключенного резистора приводит к максимальному выходному напряжению ( более 40В) и сгорает силовой полевой транзистор и взрывается конденсатор (35В 2000мкф). Вместо родного резистора цепь идет через переключатель который шунтирует постоянный резистор 5,6кОм (применяется для изменения диапазона проверяемого напряжения 12 и 24В) и далее на переменный резистор 0-3,3 кОм удобный для регулировки, точности напряжения.
Выходные цепи:
Преобразователь повышает напряжение по плюсу, Минус общий. Выходное напряжение идет на вольтметр-Амперметр ( амперметр измеряет ток по минусу, это является недостатком данного прибора), и на переключатель отпаек.
Переключатель имеет разные отпайки:
1 — Выключен;

2 — Выход на уазовский разъем (Я112 и их модификации) с подачей плюса на вывод «Б»;
3 — Выход на уазовский разъем (Я112 и их модификации) с подачей плюса на вывода «Б» и «Д»;
4 — выключен;

5 — выход на провода для проверке реле ВАЗ, с выходом одного плюса;
6 — выход на провода для проверке реле ВАЗ, с выходом двух плюсов;
7 — Выключен;

8 — выход на разъем (коммутатора, удлиненные провода), с выходом одного плюса;
9 — выход на разъем (коммутатора, удлиненные провода), с выходом двух плюсов.
На основной панели имеется также:
— Переключатель сопротивления или подачи минуса на реле в режиме зима — лето для модификаций Я112В1.;
— Переключатель подачи плюса или минуса на контрольную лампу, при проверке реле где выход имеется одного полюса, а второй полюс постоянный ( плюс в на примере газике или минуса на пример в ВАЗ 2101);
— Контрольная лампа. Я в основном использую 5 Ваттную 12В ( при проверке 24В переставляю лампу), более видно и в глаза не бьет. По ней определяю выход питания с реле на обмотку возбуждения ( по хорошему можно использовать и вольтметр, но как показала практика: без нагрузки напряжение выходит, а при нагрузке лампы уже просадка до 3х вольт.); Видео о данной неисправности:
— Короткие выводные провода для подключения реле. Назначение проводов: Минус; Плюс 1; плюс 2; вход на контрольную лампу.
— Разъем выводных проводов. Назначение проводов:
1 — минус;
2 — плюс;
3 — плюс;
4 — контрольная лампа;
5- контрольная лампа;
6,7 — резерв.
В будущем в планах доработать стенд для проверке реле управляемых с ЭБУ автомобиля.
Данный стенд работает может работать совместно с проверочным стендом генераторов, так при отсутствии возможности проверить работу генератора на 24 в, можно запитать данный стенд с 12 в и подать на возбуждение генератора 24 В. и далее исправный генератор будет работать.
Конвертер 24в 12в напряжения вольт. Какой там ремонт.
Преобразователь 24 на 12, не работает, щелкает. Чиним.
Авторский сайт ТехСтоп Екб Ру :: Инфоблог
Погода :: Трасса :: Авто :: Радио
Компьютер :: Программы :: Спутники
Электрика :: Диагностика :: Сервис и ТО
Лучшее для нужд. Преобразователь системы 24В в питание аксессуаров на 12В.
Первая часть Марлезонского балета . Да, братцы . Столкнулся я с г*** . Три дня жизни — в г*** . И, все — из-за, чего ? . Попросили меня знакомые навести порядок в шайтан / проводке и, заодно — подключить и проверить конвертер преобразователь 24 в 12 вольт . С виду — обычная работа . Это — не конвертер 12 в 24 вольт для ABS на переходных реле — скоммутировать . Почистил электропроводку от соплей, пробросил новый жгуток и на кронштейн пассажирского сиденья поставил инвертор 24 в 12 для питания рации и магнитофона (автомагнитолы) .
Проверяю — не работает . Вид у него — не важнецкий . Есть еще один . Переустанавливаю / проверяю — тот же вид, только сбоку — никакой реакции . Привезли какой-то местный самопал . Выглядит фирмово, с лампочкой и кнопочкой, красивая витиеватая надпись — только не работает это руко / блудо изделие от грамотных энергетиков, не выдает заявленные параметры согласно прейскуранту, то есть — вообще ничего не выдает .
Ну, хозя — пробивной, по 8-800 (или, как там?) дозвонился до тех / поддержки, приехал ведущий специалист по конвертированию напряжения в деньги, поменял преобразователь, потыкался Ц-ешкой или, по-современному — мультиметром, поматерился для приличия, сделал еще одну рокировку шила на мыло — и, со словами : у вас тут масса не подключена была . — благополучно отбыл на Родину (на базу), в неизвестном направлении .
Ну — специалисту, конечно же виднее . Хотя, заблудится в трех проводах, как в трех соснах — куда ни глянь : ни елок / ни палок . одни пеньки . Проверяем — о, включается, лампочка на преобразователе горит . Стопэ . Мы, че, светодиод с выключателем покупали? А, где обещанное напряжение 12 вольт ? В π***, как сказали бы более опытные и грамотные товарищи .
Делать — нечего . Как, выяснилось, на преобразователи 24 в 12 V существует некоторый дефицит . Пред / новогодний, что-ли ? . Хотя, раньше, проблемы были — именно с конвертерами 12 в 24в . Пришлось купить проверенный временем и пациентами конвертер 24 в 12в марки 21.3759-05 . Так, как уже имеется негативный опыт общения с подобными электро / техническими изделиями — попросили проверить не пачкая — мало ли, что — хотя-бы попытаться вернуть обратно, хотя в магазине сказали, что обратно не примут . Прикольно, ну и понятно — г***, ведь обратно в ж*** не возвращается?! .
Чтобы не сохатить винтами посадочные места, инвертор преобразователь напряжения, размещенный на резиновом коврике в ногах, был аккуратно подключен к фишке питания — и, чудо — устройство без проблем выдало требуемые схеме радио / аппаратуры 12 вольт — без пыли и шума . И, все бы ничего — но, в время проверки, алюминиевый корпус преобразователя 24 в 12 — слегка (едва) коснулся железного корпуса пассажирского сиденья . Проскочила маленькая сине / желтая искорка . Щелкнули реле защиты в конвертере — и выходное напряжение, со скоростью 300000 км / с — перестало поступать на выходной разъем 12в . О-па ! . Ни фига, се — а это, товарищи военные — залет . По полной программе .
Вторая часть Марлезонского балета.
Так уж издревле повелось в России, что чтение инструкций происходит в свободное, от установки преобразователей, время . Теперь, когда очередной конвертер крякнул — свободного времени, хоть завались . Так — что, там по / написано, читаем внимательно .
— Конвертер 24 / 12 в (30А) 21.3759-05 .
— Предназначен для подключения бытовых автомобильных приборов и другой аппаратуры с напряжением питания 12в к бортовой сети грузовых автомобилей и автобусов . Применяется на транспортных средствах любой марки с напряжением бортовой сети 24в .
— Конвертер собран на алюминиевом радиаторе, обеспечивающем надежный отвод тепла . Схема конвертера имеет защиту от короткого замыкания и превышения напряжения на выходе .
— Рекомендации по монтажу : .
— Прибор установить вертикально на металлическом (. ) основании в защищенном от влаги месте салона грузовика, обеспечив надежную циркуляцию воздуха, и надежно закрепить .
— Вывод 24в / зеленый соединить проводом 2,5 мм2 с + грузовика .
— Вывод 12в / красный соединить проводом 2,5 мм2 с + потребителя .
— Вывод — / черный конвертера и — потребителя надежно соединить с массой грузовика .
— Внимание ! . Категорически запрещается неправильное подключение выводов, приводящее к выходу конвертера из строя . Гарантийный срок 1 год с момента продажи, при условии соблюдения правил эксплуатации .
# . 12v.ru, ЗАО Энергомаш, Калуга. Производитель автоэлектроники.
. Адрес изготовителя . Странно . Ни — адреса типографии / издательства, ни — заказа и тиража . Сами, что ли, инструкцию — печатали ? .
Как мудро и веско говорят патологоанатомы : вскрытие — покажет . После случившегося инцидента, при подаче питания +24в на конвертер / преобразователь — стали щелкать релюшки схемы защиты, что говорит о его некоторой неисправности . Вскрытие показало неисправность силового транзистора КТ819ГМ первого выходного каскада, если считать от проводов . Так, как есть доноры 21.3759-03 — был выбран примерно рабочий транзистор, впаян, но проверка закончилась неудачно — тем же самым щелканьем релюшек . Надо резать, как сказал бы хирург . Резать — значит, резать .
Для более углубленной и достоверной проверки работоспособности транзисторов нужно изготовить специальное устройство и методом селекции от противного была обнаружена .
# . sdelaysam-svoimirukami.ru, Схема простейшего прибора для проверки транзисторов.
. Хоть я и не люблю мотать катушки — 40 витков еще терпимо . Самое главное никаких ограничений в подручных материалах . Простота изготовления — и не требуется настройка конструкции .
Простейший самодельный пробник транзисторов.
Смотреть картинку, фото : Простейший самодельный прибор для проверки транзисторов .
Простейший самодельный пробник транзисторов изготовлен из подручных материалов : неисправной компьютерной мышки, от которой использованы батарейный отсек, светодиод и резистор где-то на 68 Ом ; из неисправного блока питания компьютера взяты кнопка вкл / выкл, кольцо от тороидального трансформатора, еще один мини / трансформатор разломан для получения тонкой проволоки где-то 0,15 / 0,2 мм . Фольгированная стеклотекстолитовая плата лежала в загашнике, для экспериментов с RTL-SDR, несколько кусков проводов, колодка соединения осветительных проводов, сломанный зажим / крокодил и батарейки 1,5в 2 штуки из заначки для мыши ноутбука . Вот и весь комплект . Резистор на светодиод я не ставил — обойдется . Резистор в коллекторную цепь 68 Ом вместо 100 Ом, из того, что было под руками — переживет . Намотка кольца — криво / косо — и так сойдет . Конструкция сделана жестко, для проверки NPN транзисторов, и при правильном включении испытуемого транзистора — заработала сразу и без наладки .
Кроме, того — с использованием простейшего тестера полупроводниковых — например, силовые транзисторы даже не надо выпаивать из платы — достаточно просто открутить крепежные болты вывода коллектора . Для полноценной проверки транзисторов в схемах без выпайки — где-то я видел высокоомный пробник транзисторов . 25 +15 витков обмотки этого девайса на высокоомный причиндал — не тянут . Ну, и ладно . Работает же .
Проверка исправности транзистора простым самодельным прибором.
Смотреть картинку, фото : Проверка исправности силового транзистора .
Ну, не электронщик я — и, поэтому, мне простительно быстро заиметь такие необходимые приборы, без которых проверка транзисторов — совсем уж неприличная . Немного побродив по форумам радио / электроники нашел и скачал типовую схему конвертера, для образца и подспорья в работе . Для ремонта был выбран старый блок преобразователя напряжения 21.3759-03 — и деталей поменьше / и для тренировки, если что-то пойдет не так . Вы то ведь знаете, если что-то должно пойти не так — обязательно так и случится . Снова неисправность силового транзистора первого каскада, управляющего транзистора КТ829А, отгоревшие дорожки на плате . Реле снял, посмотреть, как оно работает .
Последствия неисправности платы конвертера 24в 12в.
Смотреть картинку, фото : Последствия неисправности платы конвертера 24в 12в марки 21.3759-03 — неисправности транзисторов, обрывы токоведущих дорожек платы .
Первая мысль — это уже не жилец . Под руками оказался транзистор D1897 / 2SD1897 в пластмассовом корпусе и параметрами 100в / 5А, от какой-то платы коммуникационной аппаратуры — который я попытался, руководствуясь схемой — приспособить вместо неисправного КТ829А . Ниче — блева проканала . А может даже стало и лучше, так как производители, я думаю — впритирку занизили параметры, чтобы не остаться без работы .
Примечание : Сорри . Недооценил разработчиков схемы . КТ829А : 100в / 8А . Не поленился посмотреть .
Транзистор D1897, 2SD1897, как аналог КТ829А.
Смотреть картинку, фото : Транзистор D1897 / 2SD1897, который я попытался использовать вместо аналога для КТ829А .
Далее ремонт неисправного преобразователя / конвертера 24в / 12в происходил в такой последовательности :
1)
— Заменил управляющий КТ829А, восстановил дорожки платы, силовые транзисторы не стал устанавливать — проверил работу конвертера подачей питания +24 в . Работает, 13,5в холостого хода есть, при подключении автомобильной лампы 24V / 21W — напряжение падает до 7,5в .
2)
— Запаял силовые транзисторы КТ819ГМ, по одному каскаду на каждую группу реле защиты — то есть, в первый и в третий каскады . Работает, защита не срабатывает, напряжение 13,5в стабильно, при подключении нагрузки / лампы 24V / 21W — не проваливается .
3)
— В схеме подключения на грузовике установлены предохранители 20А на питании +24в и 15А на выходе +12в . Выполняю контрольную проверку коротким замыканием / КЗ цепи выхода +12в на массу — схема тухнет, щелкают реле защиты и ситуация повторяется — конвертер более не работоспособен . Предохранители — целые . Теперь становится понятно, почему производители не установили заводской предохранитель в цепь выхода +12в = потому-что это тупо / бесполезно, транзисторы успевают жахнуть раньше, чем сгорает предохранитель . Нафига тогда цепи защиты, спросите вы, если они не защищают конвертер от перегрузок? Я тоже так хотел спросить . Но, подумав пришел к выводу, что при неисправности конвертера по цепи выхода +12в идет напряжение +20в / +24в, а это чревато тем, что вся 12-ти вольтная электроника погорит к чертям собачьим и потребители — восстанут с претензиями к изготовителю конвертера . А, в случае сработки защиты — ну, да, конвертер вышел из строя, неправильная эксплуатация, готовь три тыщи на новый .
4)
— Проверяю принудительно замкнутый конвертер — D1897 (КТ829А) целый, первый каскад / транзистор — приказал долго жить . Транзистор первого каскада вылетает практически всегда и по любому поводу . Пере / запаиваю силовой транзистор, проверяю — конвертер снова работает . Это второй момент : на более ранней версии конвертера 21.3759-03 достаточно крепкая защита (по крайней мере 50% на 50%, судя по экспонатам) — и это весьма облегчает ремонт, так как не надо лазить в SMD / 1G транзисторы, аналоги BC856, BC857, BC858, BC859 .
5)
— Запаиваю остальные транзисторы и снова проверяю конвертер — все в порядке . Железо / массу корпусом конвертера — не касаюсь, и даже не хочу пытаться . Или, качество сборки страдает, или иные проблемы — неважно, главное знать одно — корпусом конвертера деталей массы автомобиля лучше не касаться . Иначе выход конвертера из строя, ремонт / или, замена . И — неважно, что там написано в инструкции .
С ремонтом конвертера 21.3759-05 — вышли сложности . КТ829А — целый, силовой транзистор КТ819ГМ первого каскада заменил — толку 0 / реле щелкают . Без силовых транзисторов 13,5в дает . Ну, куда я, со 100-ватным паяльником — в SMD технологии ? . Выломал транзистор включения реле защиты, на выход +12в пошло +20в . Хотел вместо него припаять KT368 / 2T368 с параметрами 15в / 30мА, но передумал и нашел в старых платах 2SC2878 транзистор 25в / 300мА — защита снова заработала, но к счастью интерес у меня к данной теме угас, а опыт и знания приумножились .
Конвертер 12в 24в 220в. Преобразователь тока АКБ.
Прежде, чем исследовать вопросы и проблемы преобразователя с автомобильных 12в / 24в на 220в — нужно разобраться с постоянным / переменным током и мощностью . Постоянный ток — бежит по проводу прямо, как спринтер по беговой дорожке, свободно пробегает через дроссель (электрическую катушку) и только натыкаясь на конденсатор — останавливается, как вкопанный . Дальше постоянный ток — идти не может . С другой стороны, переменный ток, бежит по проводу — скачками (если точнее — волнами, туда / сюда), легко перепрыгивает через конденсатор и бежит дальше, но вот пробегая через катушку слегка увязает в ней, как в болоте . Этому способствует ЭДС самоиндукции электрической катушки (способность, образованных однонаправленными многочисленными витками провода — электромагнитных полей) — сопротивляться переменчивому направлению движения электрического тока .
Именно это свойство (особенность) катушек (создавать и взаимодействовать с электро / магнитным полем электрического тока) — используют для трансформации (конвертации) постоянного / импульсного или переменного / синусоидального малого напряжения в большое (или — наоборот) . Конечно, есть еще схема диодно / конденсаторного умножителя — но она реализована для решения других задач и не подходит для питания постоянным током — электроники, рассчитанной на переменное питающее напряжение .
Но, это — еще цветочки, по сравнению со значениями потребляемой мощности . Втыкая вилку в розетку бытовой энергосети — многие мало задумываются, каков предел ее мощности, пока подключенные электрические потребители — работают, как часики . Везде — горит свет, кипят электрочайники, работает радио / телевизионная и аудио аппаратура, стоят смартфоны на зарядке . Включены и работают ноутбуки и персональные компьютеры . Суммарное потребление энергии электричества измеряется в киловатт / часах, стоит копейки (1 кВт.ч = 500 копеек по самым дорогим тарифам) и кажется — неисчерпаемым . Емкость аккумулятора автомобиля измеряется в Ампер часах, и вы можете прийти в ужас, узнав — насколько это мизерно по сравнению с бытовым энергоснабжением (1 Ач = 0.001 кВтч ; 500 * 0.001 = полкопейки стоимости) . Исходя из законов экономики — вы получите, не более того, за что заплатили .
Чтобы согласовать потребление энергии с габаритами устройства (чем больше сила тока — тем толще провод и тяжелее трансформатор) — нужно понять, а собственно, для чего нужно 220 вольт на автомобиле ? . Ну, конечно, для того, чтобы перетащить в него все прелести бытового комфорта и домашнего обихода . Так, что там у нас есть . Чайник электрический = 1,5 кВт . Питание для ноутбука = 110 Вт (грубо) . Холодильник автомобильный 220в, 40 — 80 Вт, (60 Вт — грубо) . Видеодвойка (телевизор / видеомагнитофон) = 150 Вт . Пылесос = 1750 Вт . СВЧ печь = 1750 Вт . Ну и кой-чего из инструмента (в дороге пригодится) . Электродрель = 400 Вт . Болгарка = 900 Вт . Воздушный компрессор = 100 Вт . Такую мелочь, как электробритва и зарядные устройства для смартфона или фонарика (каждое по 10 — 20 Вт) — даже считать не будем . Что в итоге ? . Общее расчетное энергопотребление 6,7 кВт . Даже если одновременно будет задействовано всего 30% устройств — мощность преобразователя должна быть не менее 2,2 кВт . Минимальная мощность конвертера 12в / 24в в 220 вольт должна быть равна значению самого большого потребителя + запас в 20%, то есть 1750 Вт + 350 Вт = 2,1 кВт . Не намного отличается от трети одновременно подключенных устройств потребителей тока .
С потребляемой мощностью определились, теперь нужно прозондировать рынок предлагаемых вариантов преобразователей 12в / 24в в 220 вольт и сравнить цены автомобильных инверторов DC / AC со стоимостью . Наиболее распространены .
300 Вт : 3000 — 4000 руб. .
500 Вт : 2000 — 5000 руб. .
1000 Вт : 4000 — 12000 руб. .
2000 Вт : 4000+ руб. .
3000 Вт : 13000+ руб. .
4000 Вт : 17000+ руб. .
5000 Вт : 18000 — 32000 руб. .
6000 Вт : 4500+ — 22000+ руб. .
7000 Вт : 22000+ руб. .
8000 Вт : 8000+ — 17000+ руб. .
9000 Вт : 13000+ — 18000+ руб. . в пиковом режиме, до 5 сек .
10000 Вт : 9000+ — 250000 руб. . вес до 48 кг, номинальная мощность = 12 — 18 кВт ; пиковая = до 24 кВт .
Примеры образцов — намеренно не указаны, так как, каждую модель — нужно тщательно исследовать на предмет соответствия номинальной и пиковой мощности — против заявленной в объявлении о продаже преобразователя инвертора (в том числе и с учетом возможной лживости маркетинговых обещаний) . В нашем случае . Сколько времени проработает инвертор / преобразователь с учетом запаса энергии автомобильных АКБ .
Легковое авто, 12в, 100 Ач . 1,2 кВтч / 2,2 кВтч = 0,54 * 60 минут = 32 минуты .
Грузовое авто, 12в, 400 Ач . 4,8 кВтч / 2,2 кВтч = 2,18 * 60 минут = 130 минут .
Грузовик, 24в, 380 Ач . 9,1 кВтч / 2,2 кВтч = 4,14 * 60 минут = 248 минут .
Не уверен, что после такого изнасилования аккумулятора — он, в принципе, сможет крутить стартер .
Зарядка, высаженного таким образом, аккумулятора — потребует в 10 раз больше времени на зарядку и восстановление сил / емкости автомобильных АКБ батарей .
Также — нет никакой уверенности, что такое, достаточно сложное устройство — можно изготовить самостоятельно, своими руками, не обладая навыками в расчете его бесполезности . Специальные и военные технологии могут использовать конвертеры / преобразователи с частотой инвертирования 400 Гц (с более лучшим КПД и меньшими габаритами / весом) — но, тогда и оборудование должно уметь работать на повышенной частоте электрической сети, иначе — возможны сбои синхронизации и другие нежелательные явления .
Вместо того, чтобы искать микросхемы и чипы для преобразователей 220 вольт, для изготовления конвертера 220в своими руками, в домашних условиях : инверторы с чистым синусом, с грязным синусом, прямоугольной, импульсной, пилообразной формы или даже ШИМ с микроконтроллера, такие как CD4047, CD4060, CD4093, UC3843, К176ИЕ12, таймер серии 555, IR2153, ICL7660, мультивибратор К561ЛН2, TL954, LT1372, блокинг генераторы на транзисторах и тороидальных трансформаторах — как, вариант, лучше обратить внимание на бензиновые и дизельные генераторы / переносные мобильные электростанции разной мощности . 1 кВт = 1000 Вт .
1 кВт : 7000 — 28000 руб. .
2 кВт : 15000 руб. .
3 кВт : 15000 — 51000 руб. .
5 кВт : 36000 — 67000 руб. .
6 кВт : 41000 — 60000 руб. .
7 кВт : 27000 — 65000 руб. .
8 кВт : 80000 руб. .
Отсюда — делаем выводы .
# Аккумуляторные инверторы 12в / 24в (в качестве преобразователей напряжения в 220 вольт), как и ИБП (источники бесперебойного питания) — нужны для аварийного завершения работы (в течении 30 минут, максимум) или, как Штирлицу — передать срочное сообщение в центр .
# Вследствие дешевизны (компонентов и сборки) современной электроники, а также с учетом того, что конвертеры напряжения невосполнимо потребляют энергию (в том числе — на нагрев и принудительное охлаждение, что неумолимо сокращает запасы энергии и общее время работы) — они могут (вынуждены) стоить достаточно дешево . И даже, если преобразователи — соответствуют заявленным характеристикам — в районе часа работы, инверторы — становятся тупо / бесполезны . Со всеми вытекающими — для восполнения зарядки аккумуляторов .
# Хорошие конвертеры / преобразователи, на конкретной элементной базе — свободно поволокут сварочный аппарат, но весят — как сундук капитана Флинта, под завязку набитый золотыми монетами, и стоят — примерно столько же (далеко за 100000 рублей) . А работают, также — мало (по времени) .
# Бытовые бензиновые и дизельные генераторы / электростанции 220в / 380в — обладают таким же выбором по мощности, а также . Могут работать столько, на сколько хватит топлива (почти неограниченно по времени [если не придерживаться инструкции : через X часов глушить на Y времени, для остывания и профилактики]) . В том числе — могут зарядить севшие аккумуляторы, используя внешнее ЗУ 220 вольт . Выбор предпочтительного вида конфигурации : топливо (бензин, дизтопливо, газ) ; фазности (1/x, 3/x) ; автоматики управления, автозапуск .
# Бытовые бензиновые и дизельные электростанции — едва ли превышают 10 кВт по вырабатываемой мощности (в бытовой розетке = 3 — 7 кВт), но как и промышленные электро / генераторные установки — предназначены для длительной эксплуатации, в качестве системы резервного электроснабжения .
# Нужно помнить, что в стоимость бензин / дизель генераторов — не включается цена топлива, которое впоследствии будет выработано / потрачено на генерацию электричества, и за это — также придется заплатить, правда позже и частями . Да и в легковом автомобиле разместить генераторную установку с ДВС двигателем — будет слегка проблематично . Другое дело — грузовик, места — навалом, сам Бог велел .
Список всех страниц, раздел article : смотреть онлайн бесплатно, интересное — надо посмотреть .
Диагностика автомобиля.
Автодиагност визитка, компьютерная диагностика двигателя автомобиля, грузовика. Отечественные и импортные . Быстрое чтение кодов ошибок DTC . K-Line. ELM 327. ОБД. EOBD. MOBD. USA OBD. JOBD . Рекомендации . Подробнее .

интернет продажа работа . энергичность и энтузиазм . магазин стать партнером . хочу стать продавцом .
Спешите стать успешным продавцом в онлайн дистрибуции . Уникальная возможность прямо сейчас — присоединиться к команде профессионалов и покорять вершины успеха вместе с ними . В команде легче достичь все преимущества бизнеса : высокая заработная плата, гибкий график работы и возможность карьерного роста . Сейчас — самое время стать частью динамичной и процветающей компании . Не упускай шанса — начни свой путь к успеху с промокодом MARKET_2911105 , выполни условия и получи бонусы на развитие .
Реклама, ООО Яндекс, ИНН 7736207543 .
Уголок автолюбителя . Авто транспорт . Информация . Лэнд Ровер, Land Rover . диагностика двигателя . Александр Деннис, Alexander Dennis . Кенворт, Kenworth . Другие машины и услуги .
Популярные ссылки.
Реалтек RTL SDR, ч. 1. Софт для управления US . RTL-SDR цифровой USB радио приемник. Программы настройки и управления диапазонами, частото .
SDR радио. Раздел сайта sdr-receiver, индекс . Софт. SDRSharp. Реалтек RTL. DLL. Переделка. Сигнал. USB. Диапазон. Плагин. Частота. СДР Р .
ALL AI — Character, Chat, Image, Voice, Video . ИИ ассистенты, помощники и прочие инструменты нейросетей AI для решения срочных и повседне .
FTDI FT Prog. Утилита конфигурации микросхем. . FTDI FT Prog, программная утилита для конфигурирования чистых или используемых микросхем п .
Калькулятор КПП оборотов скорости колеса. Мос . Обороты колеса. Мост. Передаточные числа КПП коробки передач, Ratio. Правильная конфигурац .
Рекурсия, процесс вызова функции из самой себ . Что может рекурсия, а что итерация, решая одинаковые задачи, через более мелкие подзадачи. .
На трассе М-8 как погода от Яндекс точные про . Как с погодой на магистрали М-8, альтернативный прогноз от Яндекс. Сайт лучшей и точной ка .
Новости РУ СМИ, сводки.
2024-01-05 . новости отовсюду . снова доказали, что ничего невозможно сделать . шутка ))) .
. Разработка позволит подкрасить бесцветные антитела и антигены, а также сделает процесс проще и доступнее . Замена природных ферментов синтетическими наноматериалами — нанозимами — удешевит анализы и упростит условия хранения катализаторов . Для производства нанозимов не требуется сложное биотехнологическое оборудование с повышенной стерильностью . Нанозимы были синтезированы из текстильного красителя — берлинской лазури, с использованием перекиси водорода и лимонной кислоты .
2023-12-14 . по черному новости . лаконично . шутка ))) .
. Эксперты полагают, что негативное снижение доходов воспринимается именно, как — восприятие . В основном это обусловлено ростом инфляции и курса доллара, а также следствием увеличения на рынке доли молодых специалистов, чьи зарплатные ожидания — не совпадают с тем, что им готовы предложить компании . Также IT специалисты признают собственный недостаток компетенций / отсутствие дополнительного обучения для работы с новыми проектами и 14% жалуется на невозможность удаленной работы . Непосредственное влияние западных санкций и технологических ограничений, оценивается как — 50% / 50% . В IT сфере, как и в иной другой — считается нормальным назначать низкие зарплаты — начинающим и неопытным сотрудникам . Самые большие зарплаты получают разработчики софта, системные интеграторы, а также, такие возможности, дают — поисковики, платежные системы и соцсети . В Минцифры отмечают, что совокупные меры господдержки позволяют снизить нагрузку на IT-бизнес и создать благоприятные условия для роста доходов сотрудников .
2024-01-07 . новости никакие . в двух словах . шутка ))) .
. Все крупные производители микросхем всеми силами стараются снизить издержки производства чипов за счёт замены людей роботами .
Смотреть все самые интересные новости последних дней, недели, месяца .
Новые страницы сайта.
Кратко полезное.
таблица перевода проводов awg в мм2 .
# . multicable.com, Таблица перекрестных значений AWG в мм2.
. Перевод сечения провода из американского в российский стандарт . Может понадобиться .
sat 51954 .
. Иранский спутник NOUR-02, Иран.
. Спутник Nour 2 имеет очень широкое поле зрения и может обнаруживать экологические факторы и явления в области стихийных бедствий, наводнений, затоплений, в области измерения сельскохозяйственной продукции, помимо военного применения . Этот спутник, как и Noor 1, является спутником обнаружения и измерения, и он разработан таким образом, что, помимо наблюдения за другими частями земного шара, он максимально охватывает Иран и Западную Азию . Космический аппарат был запущен в космос компанией IRGC Aerospace .
кино фильм 2003 Форсаж 2 Двойной форсаж .
Что посмотреть, кино, подборка фильмы про гонки и форсаж . The Fast and the Furious — Быстрые и яростные . Американская медиафраншиза, легенды о рискованных уличных гонках и участие в еще более опасных преступных играх . Мир ночных гонщиков . Cкоростной криминальный боевик .
Актеры и актрисы фильма : Вин Дизель, Пол Уокер, Джордана Брюстер, Лудакрис, Мишель Родригес, Тайриз Гибсон, Дуэйн Джонсон, Галь Гадот, Джейсон Стэйтем, Курт Рассел, Мэтт Шульце, Натали Эммануэль, Сон Ган, Том Бэрри .
2003 Форсаж 2 / Двойной форсаж [ 6.5 ] .
Бывший полицейский снова втягивается в мир уличных гонок и преступности . Он объединяется с другими гонщиками, чтобы раскрыть преступную схему и поймать опасного наркобарона . В ходе своего задания, герои сталкиваются с опасностями и экстремальными гонками . Динамичные гонки, захватывающие сцены и харизма актеров . Продолжение популярной франшизы . Символ быстрых автомобилей, экшна и адреналина .
СоцСети, вход моя страница.
Cоциальная сеть, моя страница, поиск, вход без регистрации, знакомство без пароля, войти бесплатно .
Разрешенные соцсети в РФ : . VK, вконтакте, общение и поиск друзей . ОК, одноклассники, найти старых друзей по школе, учёбе, службе и работе . t.me, telegram, система мгновенного обмена сообщениями, текст, голос и видео . Youtube, популярный видеохостинг .
Запрещенные соцсети в РФ : . Твиттер X, сервис микроблогов и социальная сеть . Фейсбук, общение с друзьями, родственниками и сослуживцами по работе . Инстаграм, сеть обмена фото видео для мощных и уверенных, в себе, людей . [инстасамцов и инстасамок] — шутка ))) . ЛинкедИн , сеть профессиональных контактов по работе, деловой имидж в бизнесе .
смотреть песенки . музыка хорошего качества без регистрации .
The Never Ending Story — Jason Parker.
Knocking On Heavens Door — Dylan.